網站首頁
走進中訊
榮譽資質
產品中心
應用領域
實驗室
研究院
人才招聘
聯系我們
全部類別
開關
漏電保護器
器具輸入插座
設備用斷路器
耦合器
保險絲座
線路板
中文
/
English
產品中心
開關
漏電保護器
器具輸入插座
設備用斷路器
耦合器
保險絲座
線路板
開關
蹺板開關
按鈕開關
微動開關
撥動開關
琴鍵開關
旋轉開關
首頁
>
產品中心
>
蹺板開關
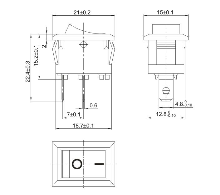
KCD1-A
產品介紹
外形尺寸
造型
參數
網站首頁
走進中訊
榮譽資質
產品中心
應用領域
實驗室
研究院
人才招聘
聯系我們
? 2016 浙江中訊電子有限公司
浙ICP備16036948號
網站建設:
優(yōu)谷科技